Nos activités

Supports Techniques

Réalisés pour vous par nos spécialistes, nos supports techniques vous aident à comprendre les effets d’un mauvais traitement de l’eau sur vos installations. Tartre, corrosion, boues ou érosion peuvent rapidement nuire au rendement de vos équipements et provoquer des pannes coûteuses.
Nous vous guidons dans la compréhension des phénomènes clés d’un réseau d’eau afin de prévenir ces désagréments et de garantir la fiabilité et la longévité de vos systèmes, en toute sérénité.

Chauffage

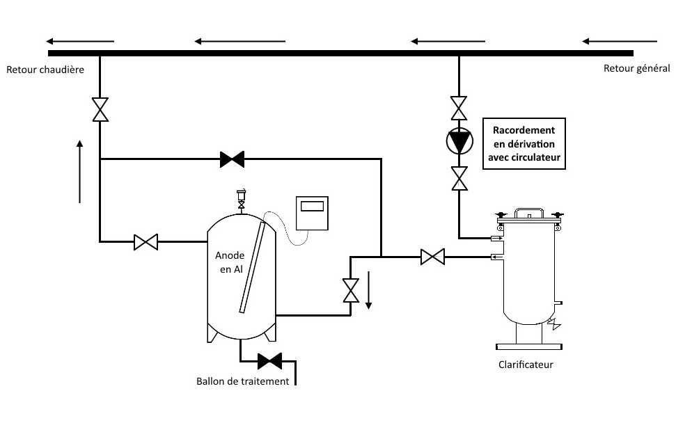
Description D'un Réseau D'eau

Découvrez les principaux problèmes qui apparaissent dans un système de chauffage lorsque le traitement de l’eau n’est pas réalisé : tartre, corrosion, embouage ou érosion peuvent réduire fortement la performance et la durée de vie des équipements.

En savoir +

Comprendre la structure d’un réseau de chauffage est essentiel pour identifier les zones sensibles : alimentation en eau, générateur, système d’expansion et émetteurs.

En savoir +

Description d'un réseau

Filtration

La filtration est la première étape essentielle pour garantir une eau de qualité. Elle vise principalement à corriger la turbidité, c’est-à-dire le manque de transparence de l’eau causé par des matières en suspension. Selon la norme, l’eau potable doit rester en dessous de 0,5 NTUEn savoir +

Adoucisseurs

Un adoucisseur d’eau fonctionne sur le principe de la captation des ions calcium (Ca2+) et des ions magnésium (Mg2+,) responsables de la présence du tartre dans les installations. L’eau qui passe par le bac de résine est débarrassée des ions calcium et magnésium qui sont remplacés par des ions sodium (Na+). En savoir +

Déminéralisateurs

La déminéralisation de l’eau, également appelée déionisation de l’eau, consiste à éliminer les sels et les minéraux qu’elle contient naturellement. La déminéralisation de l’eau produit une eau dite déminéralisée ou désionisée, contenant peu ou pas de sels ni de minéraux, et de faible conductivité électrique. En savoir +

Osmoseurs

L’osmose inversée est une technique très efficace et compétitive pour séparer un solvant des solutés qui sont dissous, car, appliquée à l’eau, la membrane permet la séparation de 95 % à 99 % des sels dissous, ce qui permet le dessalement des eaux salubres ou des eaux de mer. En savoir +

Pompes Doseuses

Le groupe de dosage est indispensable pour le traitement chimique précis des circuits d’eau, qu’il s’agisse de désinfection ou de conditionnement. En savoir +

Générateurs UV

La technologie UV est la solution écologique et immédiate pour éradiquer les micro-organismes (bactéries, virus, spores) sans ajouter de produits chimiques. En savoir +